隱形的翅膀♥ 最美「透翅蝶」長出玻璃翅膀 成長過程更驚奇:從小就透明!
2021年08月12日把自己隱形是很多小說戲劇創作的靈感來源,而在自然界中,真的有動物可以把自己變透明,這就是生活在中南美洲的「玻璃翼蝴蝶」(Glasswing Butterfiies,又稱透翅蝶)。它們體內天生缺乏色素,看起來就像是揹著一雙用透明玻璃紙糊成的翅膀一樣,因此可以躲避天敵的追捕,一起來了解這美麗的生物吧!

▼玻璃翼蝴蝶的學名是Greta oto,它們的翅膀雖然有黑、白、橘色的外框,但是中間的部分看起來就像是用一層透明的玻璃紙填滿一樣透明無色,而且幾乎不會反光,也因此能夠在雨林中躲過掠食者的搜捕。


▼玻璃翼蝴蝶從幼蟲時期開始體內就因為缺乏色素而呈現半透明狀態,等它們長大變成蝴蝶後,原本構成毛毛蟲身體外殼的透明甲殼素就成了透明翅膀的材料來源。

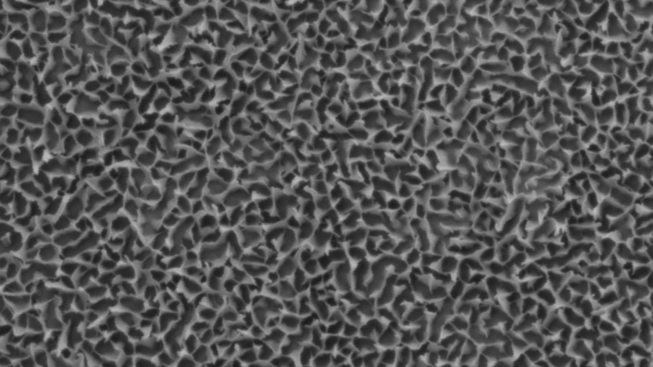
▼如果拿顯微鏡進一步放大翅膀的透明部分,就會發現薄如蟬翼的透明組織上其實遍布著絨毛和粗糙的網狀紋理。


▼這些由蠟構成的網狀紋理被稱作「奈米柱」,可以阻止光反射在蝴蝶的翅膀上,從而避免因反光而被伺機而動的鳥類發現。


▼科學家們嘗試用化學藥劑去除這些翅膀表面的奈米柱,結果發現沒有了奈米柱的翅膀反光程度真的差很多。

▼觀看這支影片可以了解更多關於玻璃翼蝴蝶的資訊~
大自然真的好奇妙啊!自然的演化竟然能夠創造出這麼多千奇百怪的生物。身處在這個美麗地球的人類,真的應該好好珍惜這個獨一無二的星球啊!
來源:網路資料